RF67立式斜齒輪硬齒面減速機是一款具有小偏置輸出、結構緊湊、最大限度利用箱體空間等特點的設備。它的結構采用了整體式鑄造箱體,剛度良好,可以提高軸的強度和軸承壽命。在安裝方式上,可以選擇減速機為底座式或大小法蘭式安裝,并配有實心軸輸出。此外,輸入方式可以是直聯(lián)電機、軸輸入或聯(lián)接法蘭輸入。
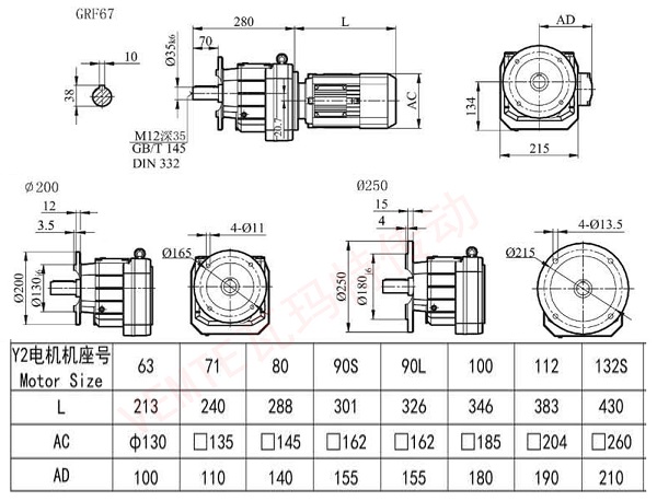
| RF67AQA63M4 | RF67AQH63M4 | RF67YPE63M4 | RF67P63M4 | RF67D63M4 | RF67YE63M4 |
| RF67AQA71M4 | RF67AQH71M4 | RF67YPE71M4 | RF67P71M4 | RF67D71M4 | RF67YE71M4 |
| RF67AQA80M4 | RF67AQH80M4 | RF67YPE80M4 | RF67P80M4 | RF67D80M4 | RF67YE80M4 |
| RF67AQA90M4 | RF67AQH90M4 | RF67YPE90M4 | RF67P90M4 | RF67D90M4 | RF67YE90M4 |
| RF67AQA100M4 | RF67AQH100M4 | RF67YPE100M4 | RF67P100M4 | RF67D100M4 | RF67YE100M4 |
| RF67AQA112M4 | RF67AQH112M4 | RF67YPE112M4 | RF67P112M4 | RF67D112M4 | RF67YE112M4 |
| RF67AQA132M4 | RF67AQH132M4 | RF67YPE132M4 | RF67P132M4 | RF67D132M4 | RF67YE132M4 |
RF67立式斜齒輪硬齒面減速機的減速比范圍廣泛,二級減速比為5~24.8,三級減速比為27.2~264,R/R組合可達18125。此外,其平均效率也相當高,二級減速的平均效率為96%,三級減速的平均效率為94%,R/R組合的平均效率為85%。




